Products by Industry:
AST EquipmentEmergency VentsOverfill Prevention ValvesManwaysNormalOther Valves
Cathodic ProtectionAnodesNylon BushingsOther Accessories
Municipal CastingsPaving Adaptors/RisersPlastic LidsGratesManhole CoversMeter CoversValve Box Covers
DomesOilfieldPneumatic ConveyingTransportation
AST & UST ManwaysReverse Flange ManwaysAPI 650UL 142Gaskets & Accessories
OilfieldDomesBushingsFlangesPipe PlugsThief HatchesVents
Overfill Prevention ValvesOPV Accesories
PEI EquipmentPipe PlugsTank Wing PlugsBushingsFill CapsLine Strainers
Pneumatic ConveyingInspection HatchesPressure/Vacuum Relief
TransportationAsphalt/ManholesDomesDOTOilfield
Tank VentingEmergency VentsNormalDOT
Shop by BrandAmerican HighwayHuskyRancho
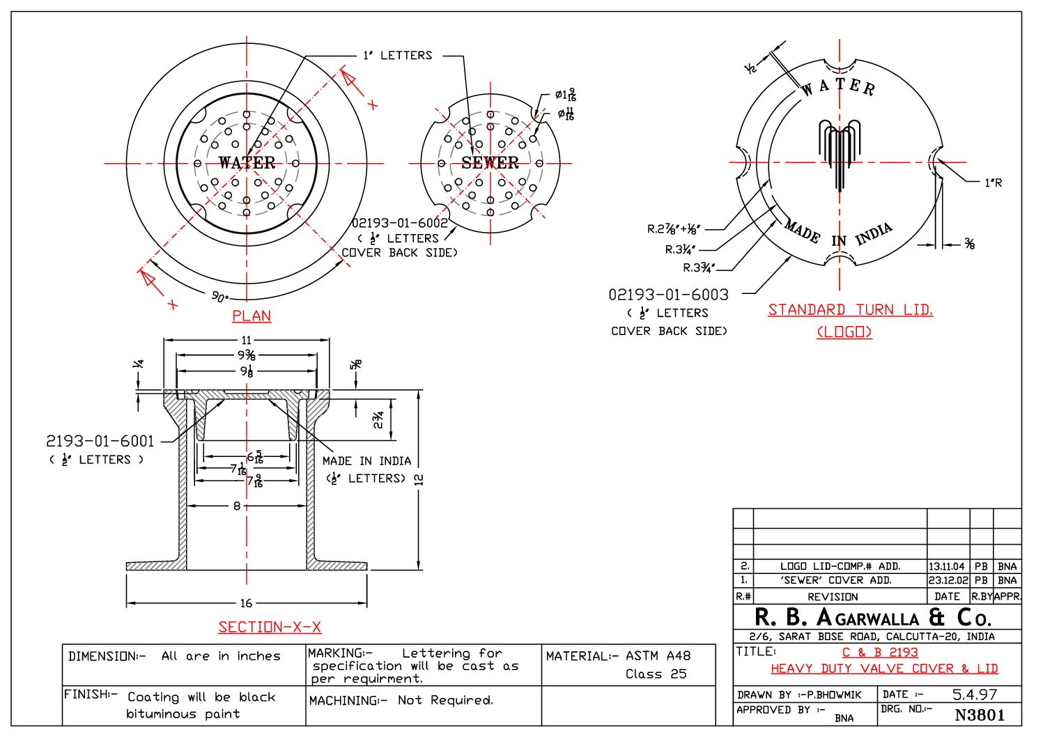
The 2193 Valve box is for use on a water or gas shut off valve in the street.
It is designed to carry heavy traffic.
It is for use with 6” Ductile Pipe and 6” PVC of any type.
Heavy Duty